Its 'MY' Blog
Saturday, April 2, 2011
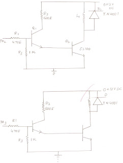
Stepper Motor (Mp record)
Right click on every pic & open in new tab so that U'll get a HD pic. Its Clear to read.
0 comments:
Post a Comment
Newer Post
Older Post
Home
Subscribe to:
Post Comments (Atom)
0 comments:
Post a Comment